Bulb flat is a structural profile with a flat web and rounded bulb edge. The optimized cross-section improves stiffness, load distribution and welding efficiency, making it a widely used stiffener in structural engineering.
Commonly used in shipbuilding structures, offshore platforms, bridges and heavy steel frameworks where high strength and fabrication efficiency are required. Chalco supplies bulb flat sections in carbon steel, aluminum and stainless steel for marine and structural projects worldwide.
- Size range: width 60–430 mm · thickness 4–20 mm
- Standard lengths: 6 m · 9 m · 12 m · cut-to-length supply
- Tolerance: thickness ±0.3 mm · width ±0.5 mm
- Typical sections: HP80×6 · HP100×8 · HP160×9 · HP220×10
- Processing: drilling · punching · bending · grooving · angle cutting
- Certification: ISO · DNV · ABS · CCS · LR classification approval
Structural Advantages of Bulb Flat
Bulb flat sections are widely used as structural stiffeners in shipbuilding and heavy engineering because their asymmetric cross-section provides high stiffness with efficient material usage. Compared with conventional flat bars or angle sections, bulb flats offer improved structural performance and fabrication efficiency.
- High stiffness-to-weight efficiency: the bulb edge increases section modulus and buckling resistance while maintaining relatively low weight.
- Efficient stiffening profile: widely used as longitudinal and transverse stiffeners in ship hull structures, decks and bulkheads.
- Improved welding performance: the flat web allows simple welding to plates and structural members during ship fabrication.
- Structural stability: the bulb geometry helps distribute stress and improves resistance to deformation in large welded structures.
- Reduced fabrication complexity: bulb flat sections simplify stiffener installation compared with angle or built-up structural profiles.
- Proven marine structural solution: widely adopted in shipbuilding, offshore platforms and large steel structures worldwide.
Bulb Flat Applications
Bulb flat profiles are widely used as structural stiffeners in shipbuilding, bridge engineering, offshore structures, and heavy industrial frameworks. Their unique cross-section provides excellent stiffness, efficient load distribution, and convenient welding performance, making them suitable for large structural assemblies requiring high strength and reliable fabrication.
Bulb Flat for Shipbuilding
Application: hull frames, deck stiffeners, bulkheads and keel reinforcement structures
Material: marine carbon steel (Grade A, AH36, DH36) and aluminum alloys such as 5083
Structural value: bulb edge improves buckling resistance and welding efficiency for ship structures
Bulb Flat for Bridge Structures
Application: bridge decks, beam webs and structural reinforcement components
Material: structural carbon steel profiles designed for heavy load-bearing applications
Engineering value: efficient cross-section improves structural stability and reduces steel consumption
Bulb flat profiles are also used in offshore platforms as structural stiffeners, wind turbine tower internal support systems, and port or coastal infrastructure where corrosion resistance and structural stability are required.
If you are selecting bulb flat sections for shipbuilding, bridge engineering or other structural projects, our engineering team can help recommend suitable materials, dimensions and supply specifications according to your project requirements.
Bulb Flat Dimensions and Weight Chart (HP60–HP430)
Bulb flat sections are available in a wide range of standard marine sizes, typically ranging from HP60 to HP430, and are widely used in shipbuilding and structural engineering. The following tables show typical dimensional parameters and weight references for commonly used carbon steel and aluminum bulb flat profiles. Custom sizes and lengths can also be produced according to project requirements.
| Typical Carbon Steel Bulb Flat Sizes (HP60–HP430) | |||||||||
|
|||||||||
| Size | Unit Weight 12m+ (kg) | b (mm) | t (mm) | c (mm) | r (mm) | Section (cm²) | Surface Area (m²/m) | Ixx (cm⁴) | Wxx (cm³) |
| 60 x 4 | 35,33 | 60 | 4 | 13 | 3,5 | 3,58 | 0,146 | 12,2 | 3,2 |
| 60 x 5 | 41,26 | 60 | 5 | 13 | 3,5 | 4,18 | 0,148 | 14,4 | 3,89 |
| 60 x 6 | 47,31 | 60 | 6 | 13 | 3,5 | 4,78 | 0,150 | 16,4 | 4,55 |
| 80 x 5 | 53,36 | 80 | 5 | 14 | 4 | 5,41 | 0,189 | 33,87 | 6,91 |
| 80 x 6 | 61,23 | 80 | 6 | 14 | 4 | 6,21 | 0,191 | 38,7 | 8,1 |
| 80 x 7 | 69,21 | 80 | 7 | 14 | 4 | 7,00 | 0,194 | 43,3 | 9,24 |
| 100 x 6 | 76,47 | 100 | 6 | 15,5 | 4,5 | 7,74 | 0,235 | 76,8 | 12,7 |
| 100 x 7 | 86,27 | 100 | 7 | 15,5 | 4,5 | 8,74 | 0,236 | 85,3 | 14,5 |
| 100 x 8 | 96,32 | 100 | 8 | 15,5 | 4,5 | 9,74 | 0,238 | 94,3 | 16,3 |
| 120 x 6 | 91,96 | 120 | 6 | 17 | 5 | 9,32 | 0,276 | 133 | 18,5 |
| 120 x 7 | 103,82 | 120 | 7 | 17 | 5 | 10,52 | 0,278 | 149 | 21 |
| 120 x 8 | 115,68 | 120 | 8 | 17 | 5 | 11,72 | 0,280 | 165 | 23,6 |
| 140 x 7 | 122,21 | 140 | 7 | 19 | 5,5 | 12,43 | 0,320 | 241 | 29 |
| 140 x 8 | 135,52 | 140 | 8 | 19 | 5,5 | 13,83 | 0,322 | 266 | 32,5 |
| 140 x 9 | 150,04 | 140 | 9 | 19 | 5,5 | 15,20 | 0,324 | 291 | 36 |
| 140 x 10 | 165,77 | 140 | 10 | 19 | 5,5 | 16,63 | 0,326 | 315 | 39,5 |
| 160 x 7 | 143,99 | 160 | 7 | 22 | 6 | 14,60 | 0,365 | 373 | 38,6 |
| 160 x 8 | 159,72 | 160 | 8 | 22 | 6 | 16,20 | 0,367 | 411 | 43,3 |
| 160 x 9 | 176,66 | 160 | 9 | 22 | 6 | 17,80 | 0,369 | 449 | 47,9 |
| 180 x 8 | 186,34 | 180 | 8 | 25 | 7 | 18,86 | 0,411 | 609 | 55,9 |
| 180 x 9 | 204,29 | 180 | 9 | 25 | 7 | 20,66 | 0,413 | 664 | 61,8 |
| 180 x 10 | 221,43 | 180 | 10 | 25 | 7 | 22,46 | 0,415 | 717 | 67,7 |
| 180 x 11 | 239,58 | 180 | 11 | 25 | 7 | 24,26 | 0,417 | 770 | 73,5 |
| 200 x 9 | 232,32 | 200 | 9 | 28 | 8 | 23,66 | 0,457 | 942 | 77,7 |
| 200 x 10 | 252,89 | 200 | 10 | 28 | 8 | 25,66 | 0,459 | 1017 | 85,1 |
| 200 x 11 | 273,46 | 200 | 11 | 28 | 8 | 27,66 | 0,461 | 1091 | 92,3 |
| 200 x 11,5 | 283,14 | 200 | 11,5 | 28 | 8 | 28,60 | 0,462 | 1126 | 96,2 |
| 200 x 12 | 291,61 | 200 | 12 | 28 | 8 | 29,66 | 0,463 | 1164 | 99,5 |
| 220 x 10 | 286,77 | 220 | 10 | 31 | 9 | 29,00 | 0,503 | 1396 | 105 |
| 220 x 11 | 308,55 | 220 | 11 | 31 | 9 | 31,20 | 0,506 | 1496 | 114 |
| 220 x 11,5 | 319,44 | 220 | 11,5 | 31 | 9 | 32,30 | 0,506 | 1550 | 118 |
| 220 x 12 | 329,12 | 220 | 12 | 31 | 9 | 33,40 | 0,507 | 1595 | 122 |
| 240 x 10 | 319,44 | 240 | 10 | 34 | 10 | 32,49 | 0,547 | 1865 | 126 |
| 240 x 11 | 344,85 | 240 | 11 | 34 | 10 | 34,89 | 0,549 | 1997 | 137 |
| 240 x 12 | 369,05 | 240 | 12 | 34 | 10 | 37,29 | 0,551 | 2127 | 148 |
| 260 x 10 | 355,74 | 260 | 10 | 37 | 11 | 36,11 | 0,591 | 2434 | 150 |
| 260 x 11 | 381,15 | 260 | 11 | 37 | 11 | 38,71 | 0,593 | 2605 | 163 |
| 260 x 12 | 407,77 | 260 | 12 | 37 | 11 | 41,31 | 0,596 | 2774 | 175 |
| 280 x 11 | 422,29 | 280 | 11 | 40 | 12 | 42,68 | 0,637 | 3333 | 191 |
| 280 x 12 | 448,91 | 280 | 12 | 40 | 12 | 45,48 | 0,639 | 3647 | 206 |
| 280 x 13 | 476,74 | 280 | 13 | 40 | 12 | 48,28 | 0,641 | 3757 | 221 |
| 300 x 11 | 462,22 | 300 | 11 | 43 | 13 | 46,78 | 0,681 | 4192 | 222 |
| 300 x 12 | 491,26 | 300 | 12 | 43 | 13 | 49,79 | 0,683 | 4459 | 239 |
| 300 x 13 | 522,72 | 300 | 13 | 43 | 13 | 52,79 | 0,685 | 4722 | 256 |
| 320 x 12 | 534,82 | 320 | 12 | 46 | 14 | 54,25 | 0,728 | 5525 | 275 |
| 320 x 13 | 566,28 | 320 | 13 | 46 | 14 | 57,45 | 0,730 | 5849 | 294 |
| 320 x 14 | 598,95 | 320 | 14 | 46 | 14 | 60,85 | 0,732 | 6168 | 313 |
| 340 x 12 | 581,28 | 340 | 12 | 49 | 15 | 58,84 | 0,772 | 6757 | 313 |
| 340 x 13 | 612,26 | 340 | 13 | 49 | 15 | 62,24 | 0,774 | 7152 | 335 |
| 340 x 14 | 648,56 | 340 | 14 | 49 | 15 | 65,54 | 0,776 | 7540 | 357 |
| 370 x 13 | 687,28 | 370 | 13 | 53,3 | 16,5 | 69,70 | 0,840 | 9469 | 402 |
| 370 x 14 | 723,58 | 370 | 14 | 53,3 | 16,5 | 73,40 | 0,842 | 9980 | 429 |
| 370 x 15 | 761,09 | 370 | 15 | 53,3 | 16,5 | 77,10 | 0,844 | 10483 | 456 |
| 400 x 14 | 804,65 | 400 | 14 | 58 | 18 | 81,48 | 0,908 | 12924 | 507 |
| 400 x 15 | 844,34 | 400 | 15 | 58 | 18 | 85,48 | 0,910 | 13573 | 538 |
| 400 x 16 | 883,30 | 400 | 16 | 58 | 18 | 89,48 | 0,912 | 14211 | 568 |
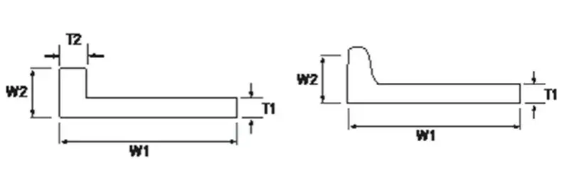
| Aluminum Bulb Flat Size Reference | ||||
![]() |
||||
| Thickness T1 (mm) | Width W1 (mm) | Thickness T2 (mm) | Width W2 (mm) | Length L (mm) |
| 4.0 | 45 | 8 | 11.5 | 6000 |
| 5.0 | 50 | 8 | 12 | 6000 |
| 5.0 | 60 | 11 | 15 | 6000 |
| 6.0 | 85 | 15 | 20 | 6000 |
| 6.0 | 95 | 20 | 12 | 6000 |
| 4.5 | 50 | — | 14 | 6000 |
| 5.4 | 98.7 | — | 19 | 6000 |
| 5.6 | 76.2 | — | 19 | 6000 |
| 6.0 | 127 | — | 19 | 6000 |
Bulb Flat Inventory and Section Availability
- Stock availability: commonly used marine bulb flat sections available for fast delivery
- Standard marine sections: HP80 – HP430 profiles widely used in shipbuilding structures
- Length options: 6 m · 9 m · 12 m fixed length supply
- Custom production: special dimensions and project-based orders supported
Chalco maintains stable supply of commonly used bulb flat sections for shipbuilding and structural projects. Standard marine sizes are available for fast delivery, and customized dimensions or fixed-length supply can also be arranged according to project requirements.
Request a QuoteBulb Flat Technical Specifications and Tolerances
The following technical specifications define the dimensional accuracy, straightness control, and surface quality requirements for Chalco bulb flat sections used in shipbuilding and structural applications.
Straightness – bow and camber
Straightness tolerance of bulb flat bars measured along the full length according to EN10067.
| Length | EN10067 Standard | Special 1 | Special 2 |
| L ≤ 18m | q ≤ 0.0035 × L | q ≤ 0.0025 × L | q ≤ 0.00125 × L |
Flatness tolerance
Web flatness: h ≤ 0.003 × b; Bulb heel flatness: n ≤ 2.0 mm
Bulb head dimensional tolerances
| Item | Thickness t (mm) | Tolerance ≤ | Item | Thickness t (mm) |
| Bulb head corner tolerance s | t ≤ 9 | 2.0 mm | Bulb head corner radius r₁ | 5 < t ≤ 9 |
| 9 < t ≤ 13 | 3.0 mm | 9 < t ≤ 13 | ||
| t > 13 | 4.0 mm | 13 < t ≤ 20 | ||
| Bulb head height tolerance f | t > 7 | f ≤ 0.75 × s |
Web edge dimensional tolerances
| Item | Thickness t (mm) | Tolerance ≤ | Item | Thickness t (mm) | Tolerance ≤ |
| Web edge tolerance e | t ≤ 9 | 2.0 mm | Web edge angle tolerance w | t ≤ 9 | 4° |
| 9 < t ≤ 13 | 3.0 mm | 9 < t ≤ 13 | 4° | ||
| t > 13 | 4.0 mm | t > 13 | 4° |
Twist tolerance
Permissible twist per meter length.
| Length | Standard | Special 1 |
| All | 0.5° / m | 0.35° / m |
Surface condition
Surface quality complies with EN10163-3:2004, subclass 3, class C.
| Nominal thickness t | Maximum discontinuity depth |
| 3 ≤ t < 6 | 20% of t |
| 6 ≤ t < 20 | 1.2 mm |
| 20 ≤ t < 40 | 1.7 mm |
If you need detailed bulb flat specifications, engineering drawings or assistance in selecting the appropriate section size for your structural project, our technical team can provide professional support and material recommendations.
Materials for Bulb Flat Profiles
Bulb flat profiles can be manufactured from different materials depending on structural strength, corrosion resistance and weight requirements. Chalco supplies bulb flat sections in aluminum alloy, carbon steel and stainless steel to support shipbuilding, bridge engineering and other structural applications.
Aluminum Bulb Flat
Application: lightweight ship structures, transportation equipment and industrial frameworks
Alloys: 6061 · 6082 · 5083 · 5754
Features: lightweight · corrosion resistant · excellent weldability
Carbon Steel Bulb Flat
Application: ship hull structures, heavy steel frameworks and bridge stiffeners
Grades: Grade A · AH36 · DH36 · EH36
Standards: ASTM A131 · EN10025 · GB712
Stainless Steel Bulb Flat
Application: marine facilities, petrochemical structures and corrosive environments
Grades: 304 · 316 · 316L
Features: corrosion resistant · durable · hygienic surface
If you are selecting bulb flat profiles for shipbuilding, bridge engineering or structural fabrication projects, our team can help recommend suitable materials, grades and supply specifications based on your design and project requirements.
Chalco Bulb Flat Manufacturing Capability
Chalco provides integrated manufacturing and processing services for bulb flat profiles used in shipbuilding and structural engineering projects. From raw material supply to precision processing and customized delivery, we support project-based production for global shipyards and engineering contractors.
Production Capability
- Stable supply of aluminum, carbon steel and stainless steel bulb flat profiles
- Standard marine sections available from HP80 to HP430
- Flexible production for fixed-length supply such as 6m, 9m and 12m
- Production according to ASTM, EN, GB and marine classification standards
Processing Services
- Cut-to-length processing and section customization
- Drilling, slotting and structural connection preparation
- Bending and forming for structural installation requirements
- Surface treatments including blasting, galvanizing and coating
- Welding preparation and fabrication support for structural assemblies
Our integrated manufacturing and processing capabilities help shipyards and structural contractors simplify fabrication, maintain dimensional accuracy and ensure reliable delivery for large-scale structural projects worldwide.
Chalco also provides other marine supporting materials
Chalco manufactures and supplies a wide range of bulb flats, flat bars and other shipbuilding structural products: the diversity of a factory, the flexibility of a dealer!
Plate
Flat/Square Bars
Equal / Unequal Angle
Half-round Bars
Round Bars
Pipes
Corrugated Plates
Beams
Inverted Angles
Frequently Asked Questions (FAQs)
Q: What materials are available for bulb flat profiles?
A: Bulb flat sections can be supplied in carbon steel, aluminum alloy and stainless steel depending on structural strength, corrosion resistance and weight requirements.
Q: What standards do bulb flat profiles comply with?
A: Common standards include EN 10067, ASTM A131, GB/T 9945 and other marine structural specifications depending on the material and project requirements.
Q: What are the common sizes of bulb flat sections?
A: Standard marine sections typically range from HP80 to HP430, with thickness generally between 4 mm and 20 mm depending on the profile specification.
Q: Do you support customized dimensions or processing?
A: Yes. Custom lengths, special dimensions and secondary processing such as drilling, cutting and bending can be arranged according to project drawings.
Q: Can bulb flat profiles be supplied with classification society certification?
A: Yes. Materials can be supplied with certifications from major classification societies such as DNV, ABS, LR, CCS and BV depending on project requirements.
Chalco can provide you the most comprehensive inventory of aluminum products and can also supply you customized products. Precise quotation will be provided within 24 hours.
Get a quote

