Chalco Aluminum offers a complete range of pneumatic cylinder tubes covering all major structural types used in automation equipment. Our portfolio includes Standard Round Cylinder Tubes, Compact Cylinder Tubes, Multi-Functional Cylinder Tubes, Guided & Slide Cylinder Tubes, and Special-Function Cylinder Tubes, all manufactured from high-strength aluminum extrusion with precise dimensional control.
This page focuses on providing complete size references for engineers and buyers — including cross-section diagrams, dimension tables, and matching guides for all cylinder tube types. These specifications help you quickly identify the correct profile for pneumatic actuators, guided units, compact cylinders, grippers, and custom structures used in automation and OEM systems.
Pneumatic Cylinder Tube Specifications
- Material Options: 6063-T5 / 6061-T6 aluminum alloy for standard and high-strength structures.
- Surface Finish: Hard-anodized inner bore; optional exterior anodizing or powder coating.
- Inner Bore Roughness: Ra ≤ 0.4–0.8 μm for stable pneumatic sealing.
- Dimensional Tolerance: ±0.05–0.10 mm depending on profile size.
- Maximum Length: Up to 6 meters per piece; precise cutting available.
- Working Pressure Range: Typically 0.1–1.0 MPa for pneumatic systems.
- Customization: Non-standard chambers, guide slots, reinforced walls, and special shapes are available — see Custom Cylinder Profiles for reference.
For more product knowledge and aluminum cylinder tube processing capabilities, you may also visit: Pneumatic Cylinder Tube Basics.
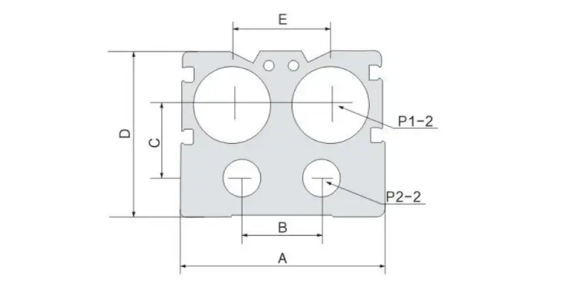
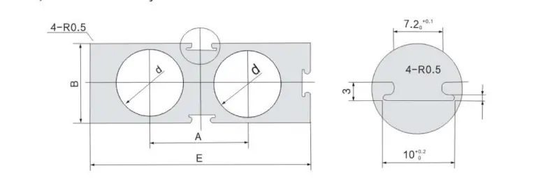
Standard Round Cylinder Tube (Φ16–Φ320)
| Idd | ODD | Thickness | Idd | ODD | Thickness |
| Ø16 | 20 | 2 | Ø80 | 92 | 6 |
| Ø20 | 25 | 2.5 | Ø85 | 92.4 | 3.7 |
| Ø25 | 30 | 2.5 | Ø90 | 96.8 | 3.4 |
| Ø32 | 37 | 2.5 | Ø100 | 104.8 | 2.4 |
| Ø40 | 43.8 | 1.9 | Ø100 | 106.8 | 3.4 |
| Ø40 | 47 | 3.5 | Ø100 | 108 | 4.9 |
| Ø50 | 55 | 2.5 | Ø110 | 117 | 3.5 |
| Ø50 | 58 | 2.5 | Ø125 | 132 | 3.5 |
| Ø63 | 67.2 | 2.1 | Ø125 | 135 | 5 |
| Ø63 | 69 | 3 | Ø150 | 160 | 4.9 |
| Ø70 | 77.8 | 2.4 | Ø160 | 167 | 3.5 |
| Ø75 | 79.8 | 2.4 | Ø180 | 188 | 5 |
| Ø80 | 84.4 | 2.5 | Ø200 | 208.4 | 4.2 |
| Ø80 | 86.8 | 3.4 | Ø200 | 210 | 5 |
| Ø80 | 89.8 | 4.9 | Ø250 | 262 | 6 |
| Ø300 | 312 | 6 | |||
| Ø320 | 336 | 8 |
Compact Profile Cylinder Tubes
SDA Series Compact Pneumatic Cylinder Tube
| NO | d | d1 | S | E | T | F | N | M |
| 1 | Ø12 | 4.4 | - | 25 | 16.2 | 23 | - | - |
| 2 | Ø16 | 4.3 | - | 29 | 19.8 | 28 | - | - |
| 3 | Ø20 | 4.3 | 36 | 34 | 24 | - | 10 | 11.3 |
| 4 | Ø25 | 5.3 | 42 | 40 | 28 | - | 10 | 12.62 |
| 5 | Ø32 | 5.3 | 50 | 44 | 34 | 15 | 18 | - |
| 6 | Ø40 | 6.9 | 58.5 | 52 | 40 | 16 | 21.3 | - |
| 7 | Ø50 | 6.9 | 71.5 | 62 | 48 | 20 | 30 | - |
| 8 | Ø63 | 8.9 | 84.5 | 76 | 60 | - | 26 | 28.5 |
| 9 | Ø80 | 9.8 | 104 | 94 | 74 | - | 26 | 36 |
| 10 | Ø100 | 11.6 | 124 | 114 | 90 | - | 26 | 35 |
ACQ Series Compact Pneumatic Cylinder Tube (ACQ-A / ACQ-B)
| d | ACQ-A (Full Size) | ACQ-B (Small Size) | ||||||
| d1 | A | B | C | d1 | A | B | C | |
| Ø12 | 3.4 | 25 | 22 | - | 3.5 | 25 | 15.5 | 5.6 |
| Ø16 | 3.4 | 29 | 25 | - | 3.5 | 29 | 20 | 5.6 |
| Ø20 | 4.3 | 34 | 24 | - | 3.5 | 36 | 25.5 | 6 |
| Ø25 | 5.1 | 40 | 28 | - | 3.5 | 40 | 28 | 6 |
| Ø32 | 6.2 | 49 | 35 | 20 | - | - | - | - |
| Ø40 | 6.8 | 58 | 52 | 40 | - | - | - | - |
| Ø50 | 6.8 | 71 | 62 | 48 | - | - | - | - |
| Ø63 | 8.4 | 84 | 75 | 60 | - | - | - | - |
| Ø80 | 10.4 | 104 | 94 | 74 | - | - | - | - |
| Ø100 | 12.5 | 124 | 114 | 90 | - | - | - | - |
| Ø125 | 12.5 | 143 | 132 | 113 | - | - | - | - |
| Ø160 | 14.5 | 185 | 178 | 144 | - | - | - | - |
SMC Compact Cylinder Tube — CDQ2 / CQS Series
| d | CDQ2 Series | CQS Series | |||||||
| A | B | C | D | E | E | T | F/Y | X | |
| Ø12 | - | 25 | 22 | - | 5.3 | 25 | 15.5 | - | - |
| Ø16 | - | 28 | 25.6 | 5.2 | 7.6 | 29 | 20 | 7 | - |
| Ø20 | - | 36 | 36 | 5.6 | 11.3 | 36 | 25.5 | 11 | - |
| Ø32 | 50 | 45 | 34 | 19.8 | - | 45 | 34 | 13.9 | 14.8 |
| Ø40 | 57 | 51.9 | 40 | 24.6 | - | 52 | 40 | 16 | 17 |
| Ø50 | 68 | 62 | 48 | 30 | - | 57 | 49 | 16 | 20 |
| Ø63 | 84 | 77 | 60 | 38 | - | 77 | 60 | 17 | 21 |
| Ø80 | 99 | 98 | 70 | 48 | - | 94 | 74 | 26 | 27 |
| Ø100 | 123.5 | 117 | 94 | 63 | - | 117 | 94 | 26 | 27 |
C55 / CD55 ISO 21287 Compact Cylinder Tube
| NO | d | d1-4 | A | B | C | D |
| 1 | Ø25 | 4.5 | 39 | 26 | 44.5 | 17 |
| 2 | Ø32 | 5.6 | 45 | 34 | 59.6 | 16 |
| 3 | Ø40 | 6.8 | 56 | 42 | 65 | 22 |
| 4 | Ø50 | 6.8 | 66.5 | 52 | 74 | 17 |
| 5 | Ø63 | 8.4 | 77 | 60 | 88 | 30 |
| 6 | Ø80 | 10.5 | 95 | 80 | 111 | 41.7 |
| 7 | Ø100 | 10.5 | 118 | 94 | 124 | 30 |
JCQ Series Compact Pneumatic Cylinder Tube
| NO | d | d1 | A | B | C | D | E |
| 1 | Ø12 | 3.5 | 23 | 21.5 | 14 | - | 8 |
| 2 | Ø16 | 3.5 | 26.5 | 25 | 17 | 8 | 8 |
| 3 | Ø20 | 3.5 | 32 | 29.5 | 21 | 12 | 8 |
| 4 | Ø25 | 3.5 | 33.5 | 33.5 | 24 | 15 | 8 |
| 5 | Ø32 | 4.2 | 43.5 | 41 | 31 | 20 | 10 |
| 6 | Ø40 | 4.8 | 50.5 | 47 | 37 | 26 | 10 |
| 7 | Ø50 | 4.8 | 68.5 | 57 | 46 | 32 | 15 |
| 8 | Ø63 | 7.8 | 76.5 | 70 | 56 | 39 | 15 |
| 9 | Ø80 | 8.9 | 98 | 89 | 70 | 43 | 19 |
| 10 | Ø100 | 8.9 | 114.5 | 102 | 85 | 63 | 19 |
JF Series Compact Pneumatic Cylinder Tube
| NO | d | d1-4 | A | B | C | D | E | F |
| 1 | Ø12 | 4.3 | 25 | 15.7 | - | - | - | 6.5 |
| 2 | Ø16 | 4.3 | - | 19.8 | - | - | - | 7.4 |
| 3 | Ø20 | 4.3 | - | 34 | 24 | - | - | 11 |
| 4 | Ø25 | 5.1 | 50 | 44 | 28 | - | 13.6 | 15 |
| 5 | Ø32 | 6.8 | 58 | 52 | 40 | 13.6 | 15 | 24 |
| 6 | Ø40 | 6.8 | 71 | 62 | 48 | 19 | 21.6 | 30 |
| 7 | Ø50 | 6.8 | 84 | 75 | 60 | 20.5 | 23.5 | 25 |
| 8 | Ø63 | 10.4 | 104 | 94 | 74 | 25 | 27.6 | 36 |
| 9 | Ø80 | 10.4 | 124 | 114 | 90 | 25 | 27.6 | 40 |
| 10 | Ø100 | 12.5 | 124 | 114 | 90 | 25 | 27.6 | 40 |
ISO / Standard Square Cylinder Tubes (DNC / CP95 / ADN / ADVU / ACE / CHF)
DNC ISO15552 Standard Cylinder Tube
| NO | d | d1 | A | B | C |
| 1 | Ø32 | 5.3 | 50 | 46 | 34 |
| 2 | Ø40 | 6.8 | 52 | 49 | 40 |
| 3 | Ø50 | 6.8 | 57 | 57 | 49 |
| 4 | Ø63 | 8.4 | 77 | 77 | 60 |
| 5 | Ø80 | 10.4 | 94 | 94 | 74 |
| 6 | Ø100 | 12.5 | 117 | 117 | 94 |
CP95 ISO15552 Standard Cylinder Tube
| NO | d | d1 | A | B | C |
| 1 | Ø32 | 5.3 | 50 | 45 | 34 |
| 2 | Ø40 | 5.6 | 56 | 48 | 40 |
| 3 | Ø50 | 6.8 | 68 | 60 | 49 |
| 4 | Ø63 | 8.4 | 84 | 74 | 60 |
| 5 | Ø80 | 10.4 | 104 | 94 | 74 |
| 6 | Ø100 | 12.5 | 124 | 114 | 94 |
ISO21287 Compact Cylinder Tubes — ADN Series
| NO | d | d1 | A | B | C |
| 1 | Ø12 | 3.4 | 25 | 22 | - |
| 2 | Ø16 | 3.4 | 29 | 25 | - |
| 3 | Ø20 | 4.3 | 34 | 24 | - |
| 4 | Ø25 | 5.1 | 40 | 28 | - |
| 5 | Ø32 | 6.2 | 49 | 35 | 20 |
| 6 | Ø40 | 6.8 | 58 | 52 | 40 |
| 7 | Ø50 | 6.8 | 71 | 62 | 48 |
| 8 | Ø63 | 8.4 | 84 | 75 | 60 |
| 9 | Ø80 | 10.4 | 104 | 94 | 74 |
| 10 | Ø100 | 12.5 | 124 | 114 | 90 |
| 11 | Ø125 | 12.5 | 143 | 132 | 113 |
| 12 | Ø160 | 14.5 | 185 | 178 | 144 |
Compact Thin Cylinder Tubes — ADVU Series
| NO | d | d1 | A | B | C |
| 1 | Ø12 | 3.5 | 25 | 15.5 | 5.6 |
| 2 | Ø16 | 3.5 | 29 | 20 | 5.6 |
| 3 | Ø20 | 3.5 | 36 | 25.5 | 6 |
| 4 | Ø25 | 3.5 | 40 | 28 | 6 |
ACE Standard Square Cylinder Tube
| NO | d | 4–d1 | A | B | C |
| 1 | Ø16 | Ø5.4 | 30 | 18 | – |
| 2 | Ø20 | Ø7 | 35 | 22 | – |
| 3 | Ø25 | Ø7 | 39.5 | 26 | – |
| 4 | Ø32 | Ø8.7 | 48.5 | 32.5 | 9 |
| 5 | Ø40 | Ø8.7 | 54 | 38 | 15 |
| 6 | Ø50 | Ø10.8 | 64.5 | 46.5 | 15 |
| 7 | Ø63 | Ø10.8 | 74.5 | 56.5 | 30 |
| 8 | Ø80 | – | 94 | 46 | 26 |
| 9 | Ø100 | – | 112 | 62 | 38.5 |
| 10 | Ø125 | – | 133.5 | 75 | 51.5 |
CHF Standard Square Cylinder Tube
| NO | d | d1 | A | B | C |
| 1 | Ø32 | 6.2 | 50 | 45 | 34 |
| 2 | Ø40 | 6.8 | 56 | 52 | 40 |
| 3 | Ø50 | 6.8 | 68 | 62 | 49 |
| 4 | Ø63 | 8.4 | 84 | 74 | 60 |
| 5 | Ø80 | 10.4 | 104 | 94 | 74 |
| 6 | Ø100 | 12.5 | 124 | 114 | 94 |
Guided & Slide Cylinder Tubes
Dual Rod Cylinder Tubes (TR / TN / CXSJ / CXS)
| Model | d | A | B | C | D | E | F | G / H |
| TR-6 | Ø6 | 37 | 23 | 16 | 16 | – | – | – |
| TR-10 | Ø10 | 46 | 26 | 36.5 | 17 | – | – | – |
| TR-16 | Ø16 | 58 | 28 | 45 | 20 | – | – | – |
| TR-20 | Ø20 | 64 | 28 | 52 | 25 | – | – | – |
| TR-25 | Ø25 | 80 | 31 | 61 | 30 | – | – | – |
| TR-32 | Ø32 | 98 | 44 | 73 | 38 | – | – | – |
| TN-10 | Ø10 | 42 | 18 | 17 | – | – | – | – |
| TN-16 | Ø16 | 54 | 24 | 21 | – | – | – | – |
| TN-25 | Ø25 | 73 | 32 | 30 | – | – | – | – |
| TN-32 | Ø32 | 96 | 42 | 42 | – | – | – | – |
| TN-40 | Ø40 | 112 | 55.5 | 48 | – | – | – | – |
| TN-50 | Ø50 | 135.5 | 60.3 | 58 | – | – | – | – |
| CXS-J-6 | Ø6 | 40 | 13.4 | 16 | 11.09 | 8 | – | – |
| CXS-J-10 | Ø10 | 55 | 15 | 16 | 16 | 9 | – | – |
| CXS-J-16 | Ø16 | 73 | 21 | 25 | 25 | 13 | – | – |
| CXS-J-20 | Ø20 | 90 | 24 | 29 | 29 | 15 | – | – |
| CXS-J-25 | Ø25 | 109 | 29 | 36 | 42 | 23 | – | – |
| CXS-J-32 | Ø32 | 94 | 37 | 45 | 73 | 31 | – | – |
| CXS-10 | Ø10 | 40 | 33.8 | 17 | 7.1 | 25.8 | 38.5 | – |
| CXS-15 | Ø15 | 58 | 25 | 20 | 10 | 33.4 | 49 | – |
| CXS-20 | Ø20 | 64 | 28 | 25 | 12.5 | 37.5 | 52.5 | – |
| CXS-25 | Ø25 | 80 | 35 | 30 | 15 | 45.5 | 67 | – |
| CXS-32 | Ø32 | 98 | 44 | 38 | 19 | 57.5 | 81.2 | – |
Slide Table Cylinder Tubes (MXH / MXJ / MXS / MXY Series)
| Model | d | A | B | C | D | E | F | G | H | J |
| HLQ-6 | Ø6 | 63 | 22 | 17 | 42 | 50 | – | – | – | – |
| HLQ-10 | Ø10 | 69 | 27 | 20 | 45 | 60 | – | – | – | – |
| HLQ-16 | Ø16 | 84 | 34 | 24 | 53 | 73 | – | – | – | – |
| HLQ-20 | Ø20 | 94 | 38 | 28 | 60 | 82 | – | – | – | – |
| HLQ-25 | Ø25 | 110 | 46 | 32 | 72 | 94 | – | – | – | – |
| STM-6 | Ø6 | 58 | 20 | 15 | 39 | 48 | 29 | 14 | 30 | 18 |
| STM-10 | Ø10 | 67 | 24 | 18 | 46 | 57 | 33 | 16 | 34 | 20 |
| STM-16 | Ø16 | 83 | 30 | 22 | 58 | 70 | 40 | 19 | 43 | 25 |
| STM-20 | Ø20 | 93 | 36 | 26 | 65 | 78 | 46 | 22 | 49 | 28 |
| STM-25 | Ø25 | 111 | 45 | 31 | 78 | 90 | 53 | 26 | 58 | 33 |
Guide Rod Cylinder Tubes — MGP Series (MGP-Z)
| Model | d | A | B | C | D | E | F | G | H | J | K |
| MGP-Z-12 | Ø12 | 96 | 66 | 26 | 35 | 20 | 16 | 45 | 60 | 50 | 4.5 |
| MGP-Z-16 | Ø16 | 104 | 72 | 28 | 38 | 22 | 18 | 50 | 65 | 55 | 5.5 |
| MGP-Z-20 | Ø20 | 112 | 78 | 30 | 42 | 24 | 20 | 55 | 70 | 60 | 6.5 |
| MGP-Z-25 | Ø25 | 128 | 88 | 35 | 48 | 28 | 22 | 63 | 78 | 68 | 7 |
| MGP-Z-32 | Ø32 | 140 | 96 | 39 | 52 | 32 | 24 | 70 | 85 | 75 | 8 |
| MGP-Z-40 | Ø40 | 160 | 112 | 44 | 60 | 36 | 26 | 80 | 96 | 86 | 9 |
| MGP-Z-50 | Ø50 | 180 | 130 | 51 | 68 | 40 | 30 | 90 | 108 | 98 | 11 |
| MGP-Z-63 | Ø63 | 205 | 150 | 60 | 78 | 48 | 36 | 105 | 124 | 112 | 14 |
| MGP-Z-80 | Ø80 | 230 | 168 | 67 | 92 | 56 | 42 | 120 | 140 | 130 | 16 |
| MGP-Z-100 | Ø100 | 255 | 190 | 75 | 102 | 64 | 48 | 135 | 156 | 148 | 18 |
General Guide Rod Cylinder Tubes (MGQ / DFM Series)
| Model | d | A | B | C | D | E |
| MGQ 12 | Ø12 | 48 | 32 | 20 | 12 | 22 |
| MGQ 16 | Ø16 | 54 | 35 | 24 | 14 | 28 |
| MGQ 20 | Ø20 | 60 | 40 | 28 | 16 | 33 |
| MGQ 25 | Ø25 | 72 | 48 | 32 | 20 | 40 |
| MGQ 32 | Ø32 | 90 | 60 | 40 | 25 | 50 |
| DFM 12 | Ø12 | 47 | 30 | 20 | 12 | 22 |
| DFM 16 | Ø16 | 52 | 34 | 24 | 14 | 27 |
| DFM 20 | Ø20 | 58 | 38 | 28 | 16 | 33 |
| DFM 25 | Ø25 | 70 | 46 | 32 | 20 | 40 |
| DFM 32 | Ø32 | 88 | 58 | 40 | 25 | 50 |
General Guide Rod Cylinder Tubes — MGG Series
| Model | d | A | B | C | D | E |
| MGG 20 | Ø20 | 78 | 46 | 32 | 16 | 40 |
| MGG 25 | Ø25 | 90 | 52 | 36 | 20 | 48 |
| MGG 32 | Ø32 | 108 | 68 | 45 | 25 | 60 |
| MGG 40 | Ø40 | 126 | 82 | 55 | 30 | 76 |
| MGG 50 | Ø50 | 150 | 94 | 70 | 35 | 90 |
| MGG 63 | Ø63 | 180 | 120 | 90 | 45 | 110 |
General Guide Rod Cylinder Tubes — JMGPM Series
| Model | d | A | B | C | D | E |
| JMGPM 20 | Ø20 | 82 | 48 | 34 | 16 | 42 |
| JMGPM 25 | Ø25 | 94 | 55 | 40 | 20 | 52 |
| JMGPM 32 | Ø32 | 112 | 72 | 50 | 25 | 64 |
| JMGPM 40 | Ø40 | 132 | 86 | 62 | 30 | 78 |
| JMGPM 50 | Ø50 | 158 | 98 | 78 | 35 | 92 |
Special & Compact Pneumatic Cylinder Tubes
Air Gripper Cylinder Tubes — MHC2 Series
| Model | d | A | B | C |
| MHC2-10 | Ø10 | 19 | 12 | 8 |
| MHC2-16 | Ø16 | 26 | 17 | 10 |
| MHC2-20 | Ø20 | 30 | 20 | 12 |
| MHC2-25 | Ø25 | 35 | 22.5 | 14.5 |
Air Gripper Cylinder Tubes — MHL2 Series
| Model | d | A | B | C | D |
| MHL2-10 | Ø10 | 42 | 30 | 14 | 16 |
| MHL2-16 | Ø16 | 48 | 34 | 16 | 20 |
| MHL2-20 | Ø20 | 60 | 42 | 20 | 24 |
| MHL2-25 | Ø25 | 71 | 49 | 24 | 29 |
| MHL2-32 | Ø32 | 86 | 60 | 30 | 34 |
Thin Compact Cylinder Tubes — CU / CDU Series
| d | A | B | C | D |
| Ø6 | 30 | 19 | 16 | 10 |
| Ø10 | 40 | 28 | 20 | 12 |
| Ø16 | 50 | 32 | 25 | 16 |
| Ø20 | 60 | 36 | 30 | 16 |
| Ø25 | 70 | 40 | 35 | 20 |
| Ø32 | 85 | 48 | 40 | 20 |
| Ø40 | 100 | 58 | 50 | 25 |
Short Stroke Cylinder Tubes — CQ2-B Series
| d | d1 | A | B | C |
| Ø12 | 3.4 | 24 | 18 | 12 |
| Ø16 | 3.4 | 30 | 25 | 16 |
| Ø20 | 3.4 | 34 | 28 | 16 |
| Ø25 | 5.1 | 40 | 28 | 20 |
| Ø32 | 6.2 | 49 | 35 | 20 |
| Ø40 | 6.8 | 58 | 52 | 40 |
| Ø50 | 6.8 | 71 | 62 | 48 |
| Ø63 | 8.4 | 84 | 75 | 60 |
| Ø80 | 10.4 | 104 | 94 | 74 |
| Ø100 | 12.5 | 124 | 114 | 90 |
Swing Cylinder Tubes — MSQ Series
| NO | d | E | A | T | B | b | H | D |
| 1 | φ10 | 50.4 | 24.5 | 45 | 34.3 | 16 | 13 | 14 |
| 2 | φ20 | 65.4 | 31.5 | 60 | 37.4 | 16.5 | 12.25 | 17 |
| 3 | φ30 | 70.6 | 36 | 65.2 | 40.6 | 18.9 | 14 | 19.5 |
| 4 | φ50 | 80 | 42.7 | 75 | 46.6 | 22.5 | 15 | 24.2 |
Special / Customized Pneumatic Cylinder Profiles
For pneumatic cylinders that fall outside standard shapes or require unique structural features, we provide special-profile and fully customized aluminum cylinder tube solutions tailored to your drawings and performance requirements.
Φ31*51*45*4.13
Φ44*58*65*5.24
Φ51.4*59*74*5.312
Φ51.4*72*72*6.952
Φ62.8*83*88*9.101
Φ62.8*72*88*7.367
Φ74.2*83*100*8.461
Φ74.2*95*100*10.608
Φ82.5*91*109*9.106
Φ82.5*103*109*11.139
Φ91*109*117*12.133
Φ91*105*120*12.214
Φ103*132*135*16.546
Φ103.5*122*134*15.236
Φ103.5*116*134*14.78
Φ119*151*152*19.060
Φ123.5*142*156*19.297
Φ123.5*140*156*19.588
Φ137.5*152*172.5*21.435
Φ137.5*152*173*21.701
Φ139*172*169*21.233
Φ157*174*198*27.793
Φ158*177*198*29.83
Φ159*191*191*24.099
Φ161*190*224*51.95
Φ178*209*219*32.493
Φ186.5*206*232*38.496
Φ187*166*230*36.397
Φ187*207*231*35.546
Φ195*220*246*41.643
Φ206*226*257*44.778
Φ207*178*255*42.761
Φ207*227*256*39.388
Φ209*241*250*36.333
Φ230*266*280*44.604
Φ232*266*289*61.46
Φ235*261*300*63.252
Φ235*258*292*52.375
Φ236*260*291*58.252
Φ236*208*290*56.333
Φ256*326*330*73.074
Φ262*306*324*75.972
Φ263*292*322*63.952
Φ263*294*330*74.033
Φ266*294*330*70.524
Φ266*236*320*71.079
Φ266Φ276*319*330*70.467
Φ292*324*352*77.175
Φ293*363*390*363*390
Φ293*335*354*90.971
Φ293*350*460*97.962
Φ295*340*340*52.953
Φ298*356*353*86.24
Φ325*377*395*79.488
Φ338*404*415*130.07
Φ342*380*408*99.958
Φ343*418*440*128.378
Φ343*385*410*121.127
Φ343*410*460*123.716
Φ391*480*516*167.625
Φ392*466*520*149.937
Φ392*438*464*106.727
Φ-*122*176*31.894
Φ-*115*146*23.813
Φ315*280*280*38.654
Φ159*187*193*27.475
Φ172.1*200*211*36.186
Φ136*178*157*26.259
Φ185*232*212*38.66
Φ156*200*179*29.395
Φ204*255*235*46.889
Φ121*157*142*20.26
Φ205*177*143*25.32
Φ121*102*79*10.535
Φ117*100*100*5.971
Chalco can provide you the most comprehensive inventory of aluminum products and can also supply you customized products. Precise quotation will be provided within 24 hours.
Get a quote
