Chalco manufactures high-precision aluminum pneumatic cylinder tubes using 6063 and 6061 aluminum alloys. These extruded cylinder barrel profiles are widely used in pneumatic actuators, automation equipment, and industrial air cylinder systems.
The aluminum cylinder tubes offer excellent strength-to-weight ratio, stable dimensional accuracy, and smooth internal surfaces suitable for pneumatic cylinder machining. Anodized surfaces improve wear resistance and corrosion resistance for long-term industrial operation.
- 6063, 6061 and 6005 aluminum alloy pneumatic cylinder tubes with T5, T6 and T6511 temper
- Compatible with ISO 15552, ISO 6431, ISO 6430 and VDMA pneumatic cylinder standards
- Hundreds of extrusion molds available for standard and custom cylinder profiles
- Widely used by automation equipment manufacturers and pneumatic cylinder producers
Technical Specifications of Aluminum Pneumatic Cylinder Tubes
Alloy: 6063, 6061
Temper: T5, T6, T6511, T832
Profile shapes: round cylinder tube, square cylinder tube, Mickey mouse cylinder tube, rectangular extrusion profiles
Tube length: 1000 mm – 3000 mm
Manufacturing process: aluminum extrusion, stretching, cutting, drilling, machining and anodizing
Inner diameter tolerance: H9 – H11
Tolerance reference: Click to check [Aluminum Cylinder Tube Tolerance Table]
Size reference table of Chalco aluminum pneumatic cylinder tube
| Round cylinder tube outer diameter Φ(mm) | 8, 10, 12, 15, 16, 20, 22, 25, 28, 45, 50, 50.8, 60, 70, 80, 100, 101.1, 150, 177.8, 200, 250, 300, 400, 500, 573, 600, etc. |
| Mickey mouse cylinder tube bore Φ(mm) | 32, 40, 50, 63, 80, 100, 125, 160, 200 |
| Square cylinder tube size (mm) | 8*8, 12*12, 14*14, 20*20, 25*25, 30*30, 50*50, 101.6*101.6, 203.2*203.2, 228*228, 250*250, 350*350 etc. |
| Rectangular aluminum cylinder tube (mm) | 18*12, 30*20, 40*20, 40*30, 60*30, 60*40, 70*40, 50*25, 60*40, 50*30, 80*50, 100*50, 100*240, 101.6*203.2, 150*250, 200*300, etc. |
| Piston rod diameter Φ(mm) | 6, 8, 10, 12, 16, 20, 25, 32, 40, 45, 50, 60, 70 etc. |
In addition to the common pneumatic cylinder tubes listed above, Chalco also manufactures various customized aluminum cylinder tube profiles according to customer drawings and cylinder standards. Our engineering team can support custom extrusion profiles, machining requirements, and special cylinder tube structures for automation and pneumatic equipment manufacturers.
Custom SizesChalco hot selling aluminum alloy cylinder tube products
Chalco provides aluminum alloy cylinder tubes that can be used for machining standard cylinders, double acting cylinders, single acting cylinders, Mickey Mouse cylinders, compact cylinders, mini cylinders, guide rod cylinders, double rod cylinders, and more. More aluminum alloy tubes for cylinder can be customized by contacting us.
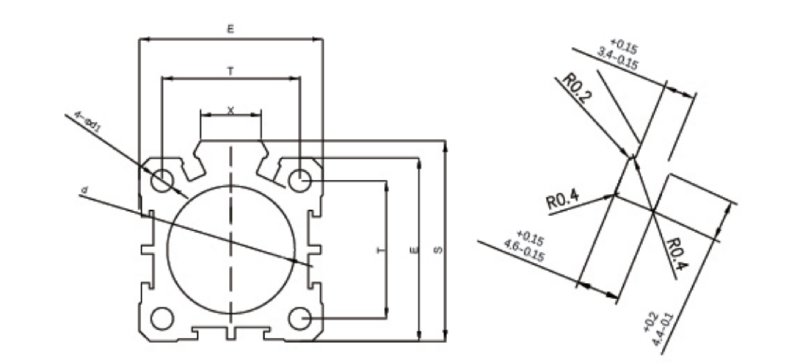
DNC square cylinder tube
DNC aluminum cylinder tubes are widely used in ISO standard pneumatic cylinders. The square outer profile integrates mounting grooves and provides high structural rigidity for industrial automation systems.
| d | E | A | T | 4 – Φ d1 |
| Φ32 | 44x44 | 32.5x32.5 | 8.2 | Φ5.1 |
| Φ40 | 51x51 | 38x38 | 11 | Φ5.1 |
| Φ50 | 64x64 | 46.5x46.5 | 17 | Φ6.7 |
| Φ63 | 75x75 | 56.5x56.5 | 26 | Φ6.7 |
| Φ80 | 93x93 | 72x72 | 28 | Φ8.7 |
| Φ100 | 111x111 | 89x89 | 35 | Φ8.7 |
| Φ125 | 134x134 | 110x110 | 55 | Φ10.3 |
SC round cylinder tube
SC round aluminum cylinder tubes are commonly used in general pneumatic cylinders and automation actuators. The round tube structure allows easy machining and flexible installation.
| Bore (d) | Outer (D) | Thickness | Bore (d) | Outer (D) | Thickness |
| Φ16 | Φ20 | 2 | Φ70 | Φ75 | 2.5 |
| Φ20 | Φ25 | 2.5 | Φ80 | Φ86 | 3 |
| Φ25 | Φ29 | 2 | Φ100 | Φ104 | 2 |
| Φ32 | Φ37 | 2.5 | Φ100 | Φ106 | 3 |
| Φ40 | Φ44 | 2 | Φ125 | Φ133 | 4 |
| Φ45 | Φ50 | 2.5 | Φ140 | Φ150 | 5 |
| Φ48 | Φ60 | 6 | Φ150 | Φ160 | 5 |
| Φ49 | Φ76 | 13.5 | Φ160 | Φ170 | 5 |
| Φ50 | Φ54 | 2 | Φ180 | Φ190 | 5 |
| Φ55 | Φ60.5 | 2.75 | Φ200 | Φ210 | 5 |
| Φ63 | Φ68 | 2.5 | Φ250 | Φ262 | 6 |
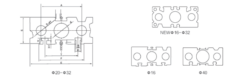
Mickey Mouse aluminum cylinder tube (SI / SU series)
Mickey mouse aluminum cylinder tubes feature integrated mounting grooves and sensor slots, making them widely used in modern pneumatic cylinders and industrial automation systems. The profile structure allows convenient installation of sensors and accessories while maintaining high structural rigidity for pneumatic actuator assemblies. Chalco supplies both SI and SU series mickey mouse cylinder tubes with precise extrusion profiles and stable dimensional tolerances.
| Series | d | D | T | S | E | 4-d |
| SI | Φ32 | Φ32 | 32.5x32.5 | 55.3x55.3 | 10 | Φ5.2 |
| SI | Φ40 | Φ44.5 | 38x38 | 65x65 | 10 | Φ5.2 |
| SI | Φ50 | Φ55.3 | 46.5x46.5 | 81.8x81.8 | 12 | Φ7.4 |
| SI | Φ63 | Φ68 | 56.5x56.5 | 93.5x93.5 | 12 | Φ6.8 |
| SI | Φ80 | Φ85.8 | 72x72 | 117x117 | 14 | Φ8.7 |
| SI | Φ100 | Φ106 | 89x89 | 145x145 | 15 | Φ8.7 |
| SU | Φ32 | Φ36.5 | 33x33 | 55.3x55.3 | 10 | Φ5.2 |
| SU | Φ40 | Φ44.5 | 37x37 | 65x65 | 10 | Φ5.2 |
| SU | Φ50 | Φ55.3 | 47x47 | 81.8x81.8 | 12 | Φ5.2 |
| SU | Φ63 | Φ68 | 56x56 | 93.5x93.5 | 12 | Φ6.8 |
| SU | Φ80 | Φ85.8 | 70x70 | 117x117 | 14 | Φ8.7 |
| SU | Φ100 | Φ106 | 84x84 | 145x145 | 15 | Φ8.7 |
Compact cylinder
Compact cylinder aluminum tubes are used in space-saving pneumatic cylinders where short stroke and compact structure are required.
| d | 4-d1 | E | T | F |
| Φ12 | 3.6 | 25 | 15.5 | - |
| Φ16 | 3.6 | 29 | 20 | 7 |
| Φ20 | 5.5 | 36 | 25.5 | 11 |
| Φ25 | 5.6 | 40 | 28 | 11 |
Guide rod cylinder tube
Guide rod cylinder tubes provide additional guiding support for the piston rod, improving stability and precision in automation equipment.
| d | d2-2 | A | B | C | D | E |
| Φ12 | Φ9.4 | 58 | - | 40 | 12.4 | 18 |
| Φ16 | Φ11.5 | 64 | - | 42 | 11.6 | 22 |
| Φ20 | Φ13 | 74 | - | 52 | 18.6 | 26 |
| Φ25 | Φ17.5 | 88 | - | 62 | 19.1 | 32 |
| Φ32 | Φ20 | 114 | 98 | 80 | 33.1 | 38 |
| Φ40 | Φ20 | 124 | 108 | 90 | 46 | 38 |
| Φ50 | Φ27 | 140 | 124 | 100 | 58 | 44 |
| Φ63 | Φ27 | 150 | 134 | 110 | 65.8 | 44 |
Dual rod air cylinder aluminum tube
Dual rod aluminum cylinder tubes are used in pneumatic cylinders requiring higher load stability and anti-rotation capability.
| d | E | A | T | B | b | D | H |
| Φ10 | 46 | 20 | 33.8 | 17 | 7.1 | 25.8 | 38 |
| Φ15 | 58 | 25 | 41.2 | 20 | 10 | 33.4 | - |
| Φ20 | 64 | 28 | 53 | 25 | 12.5 | 37.5 | 52.5 |
| Φ25 | 80 | 35 | 64 | 30 | 15 | 45.5 | 67 |
| Φ32 | 98 | 48 | 76 | 38 | 19 |
Chalco supplies a wide range of aluminum pneumatic cylinder tubes compatible with common cylinder standards. Custom profiles and special dimensions can also be developed for specific actuator designs.
Get QuoteAdditional Aluminum Pneumatic Cylinder Extrusion Profiles
In addition to standard pneumatic cylinder tubes, Chalco also provides various custom aluminum extrusion profiles used in pneumatic cylinders and automation equipment. These profiles integrate mounting grooves, sensor slots and structural ribs, allowing flexible cylinder design and efficient assembly.
For more pneumatic cylinder tube sizes and product types, you may click the detailed [Cylinder Tube Dimension Table] . If you require customized aluminum cylinder extrusion profiles or special structural designs, our engineering team can support profile development based on drawings or application requirements.
Custom ProfileManufacturing Capabilities of Chalco Aluminum Pneumatic Cylinder Tubes
With decades of aluminum extrusion and precision machining experience, Chalco provides complete in-house manufacturing capabilities for aluminum pneumatic cylinder tubes and cylinder barrel profiles. Our integrated production system ensures stable quality, fast delivery and consistent performance for pneumatic actuator manufacturers and automation equipment suppliers.
Extrusion capability: Round, square, rectangular and Mickey Mouse aluminum cylinder profiles; extrusion diameter up to Φ600 mm.
Mold capability: Hundreds of existing extrusion dies with rapid development for customized pneumatic cylinder barrel profiles.
Precision machining: CNC cutting, drilling, slotting, milling, grooving, welding, polishing and deep machining for cylinder tubes and actuator components.
Precision control: Straightness ≤0.1 mm/m; concentricity ≤0.05 mm; stable dimensional tolerance for automatic cylinder assembly.
Surface treatment: Natural anodizing, hard anodizing, micro-arc oxidation and custom anodized colors for improved wear and corrosion resistance.
Length capability: Standard tube length 1000–3000 mm, with long-length customization available according to project requirements.Production capacity: Industrial-scale extrusion and finishing lines supporting stable batch supply for OEM pneumatic cylinder manufacturers.
In addition to aluminum pneumatic cylinder tubes, Chalco also supplies related components used in pneumatic cylinder systems, including precision aluminum cylinder extrusion profiles and chrome plated piston rods. With integrated extrusion, machining and finishing capabilities, Chalco can support both prototype development and large-scale production for pneumatic cylinder manufacturers.
Send InquirySurface Treatment Options for Aluminum Pneumatic Cylinder Tubes
To improve wear resistance, corrosion resistance and surface durability, aluminum pneumatic cylinder tubes are commonly treated with anodizing processes. Anodized aluminum cylinder barrels provide a harder surface layer and smoother internal finish, helping reduce friction and extend the service life of pneumatic actuators.
-
Natural Anodizing
Standard anodized finish providing corrosion resistance and stable surface protection for general pneumatic cylinder applications.
-
Hard Anodizing
Thick and dense oxide layer offering higher surface hardness and wear resistance for heavy-duty cylinder use.
-
Black Anodizing
Black anodized aluminum surface widely used in industrial automation and actuator equipment.
-
Sandblasting + Anodizing
Matte surface created by sandblasting before anodizing, improving appearance and corrosion resistance.
-
Bronze Anodizing
Bronze-colored anodized finish providing decorative appearance and additional corrosion protection.
-
Custom Color Anodizing
Various anodized colors such as red, gold and other finishes available for customized equipment design.
Chalco can provide anodized aluminum pneumatic cylinder tubes with controlled surface thickness and consistent quality to ensure stable performance in industrial pneumatic systems.
Start ProjectAdvantages and Quality Assurance of Chalco Aluminum Pneumatic Cylinder Tubes
Chalco aluminum pneumatic cylinder tubes combine precision extrusion technology with strict quality inspection to ensure stable performance in industrial pneumatic systems.
- High dimensional accuracy: Precision extrusion and machining ensure stable inner bore tolerance, providing smooth piston movement and reliable sealing performance inside aluminum pneumatic cylinder barrels.
- Lightweight yet strong structure: Aluminum alloys such as 6063 and 6061 provide an excellent strength-to-weight ratio, reducing cylinder weight while maintaining structural stability.
- Excellent anodizing performance: The aluminum pneumatic cylinder tube surface can be anodized to improve wear resistance, corrosion resistance and service life in pneumatic systems.
- Compatible with major cylinder standards: Profiles and dimensions can be produced according to common pneumatic cylinder standards such as ISO 15552, ISO 6431 and VDMA 24562.
- Strict material inspection: Chemical composition is verified by spectrometer analysis to ensure aluminum alloys such as 6063 and 6061 comply with international standards.
- Mechanical property testing: Tensile strength, yield strength and elongation are tested according to EN and ASTM standards.
- Precision dimensional inspection: Inner diameter, outer diameter, wall thickness and length are fully inspected, with bore tolerance typically controlled within H9–H11.
- Surface quality control: Anodizing thickness, hardness and surface roughness are inspected to ensure wear resistance and corrosion protection.
- Full traceability system: Each production batch is recorded with alloy, temper, production date and inspection data for complete quality traceability.
Applications of Aluminum Pneumatic Cylinder Tubes
Aluminum pneumatic cylinder tubes are widely used as lightweight cylinder barrels in industrial pneumatic systems where corrosion resistance, precise motion control and reliable sealing performance are required.
Industrial Automation Equipment: Used in automated production lines, pick-and-place units, conveyor systems, assembly stations, robot grippers and various pneumatic actuators.
Packaging Machinery: Commonly applied in sealing machines, labeling machines, filling systems, carton forming equipment and other high-speed packaging automation lines.
Machine Tools and Manufacturing Systems: Suitable for clamping, positioning, feeding and auxiliary motion control in CNC machines, metal processing equipment and precision manufacturing modules.
Logistics and Material Handling Systems: Used in automated sorting machines, shuttle conveyors, palletizing equipment and lifting modules in modern logistics automation systems.
Food Processing and Medical Equipment: Aluminum cylinder barrels provide corrosion resistance and clean surfaces, making them suitable for pharmaceutical automation equipment, laboratory devices and food processing machinery.
Other Pneumatic Applications: Textile machinery, printing equipment, woodworking machines, HVAC control systems and customized pneumatic motion platforms.
If your pneumatic system requires reliable aluminum cylinder tubes for automation or actuator applications, Chalco can provide suitable material, dimensions and surface treatments.
Project ConsultingTechnical Specifications of Aluminum Pneumatic Cylinder Tubes
Tolerance of Chalco aluminum pneumatic cylinder tube
| Grade of tolerance Dia mm Φ | H | |||
| H7 | H8 | H9 | H10 | |
| 3mm |
+0.010 0 |
+0.014 0 |
+0.025 0 |
+0.040 0 |
| 3mm-6mm |
+0.012 0 |
+0.018 0 |
+0.030 0 |
+0.048 0 |
| 6mm-10mm |
+0.015 0 |
+0.022 0 |
+0.036 0 |
+0.058 0 |
| 10mm-18mm |
+0.018 0 |
+0.027 0 |
+0.043 0 |
+0.070 0 |
| 18mm-30mm |
+0.021 0 |
+0.033 0 |
+0.052 0 |
+0.084 0 |
| 30mm-50mm |
+0.025 0 |
+0.039 0 |
+0.062 0 |
+0.100 0 |
| 50mm-80mm |
+0.030 0 |
+0.046 0 |
+0.074 0 |
+0.120 0 |
| 80mm-120mm |
+0.035 0 |
+0.054 0 |
+0.087 0 |
+0.140 0 |
| 120mm-180mm |
+0.040 0 |
+0.063 0 |
+0.100 0 |
+0.160 0 |
| 180mm-250mm |
+0.046 0 |
+0.072 0 |
+0.115 0 |
+0.185 0 |
| 250mm-315mm |
+0.052 0 |
+0.081 0 |
+0.130 0 |
+0.210 0 |
| 315mm-400mm |
+0.057 0 |
+0.089 0 |
+0.140 0 |
+0.230 0 |
| 400mm-500mm |
+0.063 0 |
+0.097 0 |
+0.155 0 |
+0.250 0 |
Chemical Composition of Aluminum Alloys (%)
| Alloy | Si | Fe | Cu | Mn | Mg | Cr | Zn | Ti | Al |
| 6063 | 0.20–0.60 | ≤0.35 | ≤0.10 | ≤0.10 | 0.45–0.90 | ≤0.10 | ≤0.10 | ≤0.10 | Balance |
| 6061 | 0.40–0.80 | ≤0.70 | 0.15–0.40 | ≤0.15 | 0.80–1.20 | 0.04–0.35 | ≤0.25 | ≤0.15 | Balance |
| 6005 | 0.60–0.90 | ≤0.35 | ≤0.10 | ≤0.10 | 0.40–0.60 | ≤0.10 | ≤0.10 | ≤0.10 | Balance |
Typical Mechanical Properties of Aluminum Cylinder Tube Alloys
| Alloy & Temper | Tensile Strength (MPa) | Yield Strength (MPa) | Elongation (%) | Hardness (HB) |
| 6063-T5 | ≥160 | ≥110 | ≥8 | ~65 |
| 6063-T6 | ≥205 | ≥170 | ≥8 | ~75 |
| 6061-T6 | ≥260 | ≥240 | ≥8 | ~95 |
| 6005-T5 | ≥250 | ≥200 | ≥7 | ~85 |
FAQ of Aluminum Pneumatic Cylinder Tubes
1. What alloys are commonly used for pneumatic cylinder tubes?
Chalco mainly uses 6063 T5/T6/T832 and 6061 T6/T6511 aluminum alloys, which offer excellent strength, machinability and anodizing performance.
2. Can you produce customized cylinder tube profiles?
Yes. Besides standard round, square and Mickey Mouse profiles, we can customize special shapes according to your drawings or samples, with fast mold development.
3. What is the dimensional tolerance for ID and OD?
ID tolerance is controlled within H9–H11; OD and wall thickness follow ISO/VDMA or customer-specific tolerance requirements.
4. Do you provide anodizing or hard anodizing?
Yes. Standard clear anodizing, hard anodizing, micro-arc oxidation and custom color anodizing are available depending on your application.
5. What is your typical production length?
Standard length ranges from 1000 mm to 3000 mm. Custom long or short lengths can be provided on request.
6. What is the MOQ for pneumatic cylinder tubes?
For standard sizes, MOQ is low and some specifications are available in stock. Customized profiles require mold opening and minimum order quantities.
7. Can you assist with machining operations?
Yes. We offer CNC cutting, drilling, slotting, grooving, welding and other deep machining services for semi-finished cylinder components.
8. How do you ensure quality consistency?
Each batch undergoes chemical composition analysis, dimensional inspection, straightness and concentricity checks, anodizing thickness testing, and full traceability records.
9. What is the typical lead time?
Standard sizes are usually shipped within 7–10 days. Custom extrusions or special machining orders require 15–30 days depending on complexity.
10. Can you provide samples for testing?
Yes. Small cut samples or short tubes can be supplied for fit and performance testing before mass production.
Order Aluminum Pneumatic Cylinder Tubes from Chalco
Chalco supplies high-precision aluminum pneumatic cylinder tubes and extrusion profiles used for manufacturing pneumatic cylinders and actuator systems. With advanced extrusion technology, precision machining and strict quality control, we provide reliable aluminum cylinder barrel materials for automation equipment manufacturers worldwide.
Standard cylinder tube sizes, custom extrusion profiles, special bore dimensions and various anodized surface treatments can all be manufactured according to your technical drawings or cylinder standards.
In addition to aluminum cylinder tubes, Chalco can also supply related pneumatic cylinder components and customized solutions for specific actuator applications.
Information helpful for quotation: cylinder bore size · tube length · alloy & temper · surface treatment · drawings or cylinder standard.
Chalco can provide you the most comprehensive inventory of aluminum products and can also supply you customized products. Precise quotation will be provided within 24 hours.
Get a quote
