Suchen Sie nach einer leichten, einfach zu montierenden und kostengünstigen Aluminiumrahmenlösung für Ihr Projekt?
Unsere Aluminium-Strangpressprofile der Serie 10 bieten die perfekte Balance zwischen Präzision, Vielseitigkeit und Modularität – ideal für 3D-Drucker, Automatisierungsgeräte und DIY-Strukturen.
Spezifikationen für die Aluminiumextrusion der Serie 10
Normen: GB/T 5237, GB/T 6892, EN 755, EN 573, EN 12020-2, ASTM B210/B221M
Zertifizierungen: RoHS, REACH, ISO 9001, SGS/BV-Inspektion
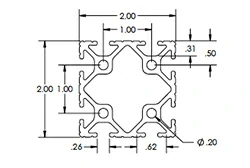
Produktübersicht für die Aluminiumextrusion der Serie 10
- Abmessungen: 1,0" x 1,0", 1" x 2", 1,0" x 3,0", 2,0" x 2,0", 2,0" x 4,0", 0,5" x 1,0", 0,5" x 2,0"
- T-Nut: 0,26"
- Legierung: 6105-T5, 6063-T6, 6061
- Drop-Lock: 2°
- Finish: Eloxiert
- Farbe: Klar, Schwarz, Silber, Gelb
- Länge: 1500 mm – 6000 mm oder benutzerdefinierte Länge
- Parco-Schnitttoleranz: ±0,015 Zoll
- Erhältlich mit vorgebohrten Löchern und Gewindeenden
Wir wissen, dass Kompatibilität wichtig ist. Aus diesem Grund stellen wir sicher, dass alle unsere Aluminiumprofile und -beschläge vollständig mit anderen großen Anbietern kompatibel sind.
Angebot
Abmessungen der Aluminiumextrusion der Serie 10
1" x 1" T-Schlitz Aluminium-Extrusion
1" x 1" .26" Aluminium-Extrusion
Schwarz 1" x 1" .26" Aluminium-Extrusion
Gerilltes 1" x 1" .26" Aluminium-Profil
1" x 1" .26" Aluminium-Extrusion
1" x 1" Monoslot .26" Aluminium-Extrusion
1" x 1" Monoslot .26" Aluminium-Extrusion
Gelbes 0,26" Aluminium-Strangpressprofil
Schwarz 1" x 1" .26" Aluminium-Extrusion
1" x 1" Viertelrunde .26" Aluminium-Extrusion
1" x 2" T-Nut-Aluminium-Extrusion
1" x 2" .26" Aluminium-Extrusion
Schwarz 1" x 2" .26" Aluminium-Extrusion
1" x 2" gerillte .26" Aluminium-Extrusion
1" x 3" T-Schlitz Aluminium-Extrusion
1" x 3" .26" Aluminium-Extrusion
1" x 3" .26" Aluminium-Extrusion
Schwarz 1" x 3" .26" Aluminium-Extrusion
2" x 2" T-Nut-Aluminium-Extrusion
2" x 2" .26" Aluminium-Extrusion
2" x 2" gerillte .26" Aluminium-Extrusion
Schwarz 2" x 2" .26" Aluminium-Extrusion
Andere Größenprofile
2" x 4" T-Schlitz Aluminium-Extrusion
.5" x 1" T-Schlitz Aluminium-Extrusion
.5" x 2" T-Schlitz Aluminium-Extrusion
Zubehör für die Aluminiumextrusion
Als Full-Service-Hersteller können wir Rohmaterialien (Teile und Extrusionen) so liefern, wie sie sind, als vorbearbeitete Bausätze, die zur Montage bereit sind, oder als fertig montierte Einheiten nach Ihren Spezifikationen.
Angebot
6-Loch Anschlussplatte
6-Loch Winkelwinkel mit Schlitz
8-Loch Inneneckzwickel
3-Loch-Steckerleiste
Quadratische Dreiecksklammer
T-Nutenstein
T-Nut-Lenkrolle (100mm)
Grundplatte für die Bodenmontage mit T-Nut (3 Zoll)
Graue T-Nut-Abdeckung
Als Full-Service-Hersteller können wir Rohstoffe (Teile und Extrusionen) auf folgende Weise liefern:
- Unbearbeitete
- Als Bausätze, bearbeitet und vorbereitet für die Montage nach Ihren Vorgaben
- Oder komplett montiert von unserem Team
Leistung der Aluminiumextrusion der Serie 10
| Drop-Sperre | 2° |
| Trägheitsmoment - IX | 0,0442"⁴ |
| Trägheitsmoment - IY | 0,0442"⁴ |
| Oberfläche | 0.437 Quadratzoll |
| Streckgrenze | 25.000 psi |
| Elastizitätsmodul | 10.000.000 Pfund / Quadratzoll |
| Gewicht lbs | 0,0424 pro Zoll |
| Gewicht | 0.042400 |
Vorteile der Aluminiumextrusion der Serie 10
Leicht und kompakt
Klein und ideal für platzbeschränkte oder gewichtsempfindliche Anwendungen, wie z. B. Desktop-Geräte und kompakte Automatisierungsstrukturen.
Modularer Aufbau für einfache Montage
Das Standard-T-Nutenprofil ermöglicht eine schnelle Installation, Anpassung und Neukonfiguration. Kompatibel mit den meisten Zubehörteilen. Kein Schweißen erforderlich, was Arbeit und Zeit spart.
Kostengünstige Lösung
Günstiger als größere Profile, mit geringerem Materialeinsatz. Perfekt für budgetbewusste Projekte und die Prototypenentwicklung.
Hohe Verträglichkeit
Vollständig kompatibel mit Standardkomponenten der Serie 10 wie L-Halterungen, Eckverbindern und T-Muttern. Einfach zu erweitern und aufzurüsten.
Vielseitige Anwendungen
Geeignet für den Bau von leichten Rahmen, Schutzhauben, Beleuchtungsträgern, Ausstellungsständern und Konstruktionen für Automatisierungsgeräte.
Attraktive und korrosionsbeständige Oberfläche
Eloxiertes Finish für hervorragende Haltbarkeit und Korrosionsbeständigkeit. Der schlanke silberne Look passt sowohl in Industrie- als auch in Verbraucherumgebungen.
Anwendungen der Aluminiumextrusion der Serie 10
Wir bieten Produktlösungen für eine Vielzahl von Anwendungen in der Medizin-, Automobil- und Fertigungsindustrie – Lösungen, die die Produktivität steigern, Arbeitsabläufe optimieren und die Sicherheit Ihrer wertvollen Mitarbeiter gewährleisten.
Unser Entwurfteam kann Sie in der Konzeptionsphase Ihres Projekts unterstützen und Ihnen Angebote und CAD-Zeichnungen zur Überprüfung zur Verfügung stellen.
AngebotRahmen für 3D-Drucker
Kompakt, leicht und einfach zu montieren – perfekt für den Bau von Desktop-Gehäusen für 3D-Drucker.
Jetzt Kontakt aufnehmen
Desktop-Automatisierungsgeräte
Ideal für Rahmen und Führungsschienenhalterungen in Etikettiermaschinen, Lasermarkierern und kleinen Förderbändern.
Jetzt Kontakt aufnehmenAusstellungsstände und Ausstellungsrequisiten
Wird verwendet, um tragbare Display-Halterungen und Produktracks für einen einfachen Transport und eine schnelle Einrichtung zu bauen.
Jetzt Kontakt aufnehmen
Halterungen für Laborprüfgeräte
Üblich in Forschungs- und Bildungslabors für Testplattformen, Sensorhalterungen und kleine Vorrichtungen.
Jetzt Kontakt aufnehmenRahmen für Roboterarme
Ideal für den schnellen Bau von pädagogischen oder leichten industriellen Roboterrahmen mit flexibler Struktur und einfacher Einrichtung.
Jetzt Kontakt aufnehmen
Schutzabdeckungen und Sicherheitsgehäuse
Bauen Sie leichte Schutzvorrichtungen und Zäune für Arbeitsplätze und Automatisierungsgeräte – funktional und optisch sauber.
Jetzt Kontakt aufnehmenDIY-Heimprojekte
Perfekt für Lagerregale, Werkbänke und kundenspezifische Rahmen. Modularer Aufbau erfüllt individuelle Bedürfnisse.
Jetzt Kontakt aufnehmen
Oberflächenbehandlung von Aluminium-Extrusionen der Serie 10
Eloxierend
Die Teile werden je nach Bedarf bearbeitet, vibrationspoliert und/oder geschliffen, bevor sie in den Eloxalprozess gelangen.
Jeder Schritt beinhaltet eine visuelle Inspektion, um eine hohe Qualität und ein gleichbleibendes Oberflächenfinish zu gewährleisten.
Sie sind nicht auf natürliches oder klares Eloxieren beschränkt – wir bieten eine vollständige Palette an kundenspezifischen Eloxalfarben, die Ihren spezifischen Anwendungsanforderungen entsprechen.
Spezielle Beschichtungsdienstleistungen
Lackieren und Pulverbeschichten sind hervorragende Alternativen zum Eloxieren.
Die speziellen Beschichtungsdienstleistungen von Chalco ermöglichen es Ihnen, eine Vielzahl von Oberflächenveredelungen in Ihr Projekt zu integrieren. Da unterschiedliche Bauformen unterschiedliche Funktionen erfordern, bieten wir eine breite Palette von Optionen an, um Ihren Anforderungen gerecht zu werden:
- Pulverbeschichtung
- Lackbeschichtung
- Sandstrahlen
- Chromat-Behandlung
- Eloxierend
- Oxidation
- Galvanotechnik
- Verzinkung
Notizen
Neben eloxierten Profilen bieten wir auch eloxierte Verbindungsleisten, Eckknoten, Halterungen, Platten und T-Nutensteine an.
Bitte beachten Sie, dass bei einer Bearbeitung oder einem Schneiden einige Bereiche des eloxierten Profils freigelegt werden können.
Gerne unterstützen wir Sie bei allen Projekten rund um schwarz eloxierte T-Nuten-Profile. Wenn Sie nicht finden, was Sie suchen, können Sie sich gerne direkt an uns wenden.
AngebotKundenspezifische Bearbeitung für Aluminiumextrusion der Serie 10
Wir bieten eine Komplettlösung für Ihr gesamtes T-Nuten-System – einschließlich kundenspezifischer Teile, Beschläge und Zubehör.
Mit über 200 vorrätigen Strukturprofilen können wir Ihre individuellen Halterungen oder Komponenten schnell herstellen.
Sie müssen sich nicht mit mehreren Anbietern abstimmen – unsere fortschrittlichen Geräte verarbeiten sowohl Einzelteile als auch große Produktionsläufe effizient.
Begriff
Entwurf
Vollständig
Alle heiß verkauften Produkte und Größen von Chalco T-Nuten
Dies ist unser heiß verkauftes Lagerprodukt, Sie können uns für eine Anpassung kontaktieren
Aluminium-Extrusion der Serie 10
Aluminium-Extrusion der Serie 15
Aluminium-Extrusion der Serie 45
2020 2040 Aluminium-Extrusion
3030 3060 Aluminium-Strangpressprofil
4040 4080 Aluminium-Extrusion
Vorteile des Chalco-Service
Kompatibilität und Vielseitigkeit
Einer der Hauptvorteile der Wahl von Chalco T-Nut-Aluminiumprofilen ist ihre vollständige Kompatibilität mit imperialen und metrischen Systemen führender Hersteller.
Erfahrenes Team
Unser fundiertes Branchenwissen stellt sicher, dass Sie mehr als nur Produkte erhalten – Sie erhalten maßgeschneiderte Lösungen, die speziell auf Ihre Anwendungsanforderungen zugeschnitten sind.
Persönliche Betreuung
Was Chalco auszeichnet, ist unser Engagement für persönliche Unterstützung während Ihres gesamten Projekts.
Dieses Serviceniveau ist besonders wertvoll für komplexe oder kundenspezifische Builds, die mehr als Standardkomponenten erfordern.
Wettbewerbsfähige Preisgestaltung
Chalco bietet äußerst wettbewerbsfähige Preise, was uns zur idealen Wahl für Kunden macht, die den Wert maximieren möchten, ohne Kompromisse bei der Qualität einzugehen.
Professionelles und erfahrenes Team
Genauigkeit bis zu 0,005 Zoll
Garantierte Qualität
Unterstützung bei Verpackung, Versand und Handel
Verpackung
Jedes Profil wird mit einer Schutzfolie umwickelt, um Kratzer zu vermeiden, und dann mit Kraftpapier oder EPE-Schaum verpackt.
Holzkisten oder Kartons können je nach Bedarf hinzugefügt werden. Kundenspezifische Logoverpackungen und Zubehörsortierung sind verfügbar.
Versandoptionen
Wir unterstützen Seefracht (FCL/LCL), Luftfracht und internationalen Express (wie DHL und FedEx).
Zu den Handelsbedingungen gehören FOB, CIF, DDU und DDP, um Ihre Logistikanforderungen mit schnellem Versand zu erfüllen.
Zahlungsmethoden
Wir akzeptieren T/T (Überweisung), L/C (Akkreditiv), PayPal und andere flexible Zahlungsoptionen.
Was ist der Unterschied zwischen der 10er-Serie und der 15er-Serie?
Die Extrusionen der Serie 10 basieren auf den Abmessungen 1/2 Zoll und 1 Zoll.
Die Mittellinie ist 1/2 Zoll von der Kante entfernt, und der Abstand von Mitte zu Mitte beträgt 1 Zoll.
Die Extrusionen der Serie 15 basieren auf den Abmessungen 3/4 Zoll und 1,5 Zoll.
Die Mittellinie ist 3/4 Zoll von der Kante entfernt, mit einem Abstand von Mitte zu Mitte von 1,5 Zoll.

